Ingenieurleistungen

 

Konstruktion


Von der Einzelteilkonstruktion bis zu komplexen Baugruppen. Mit unserem leistungsfähigen 3D CAD Tool Autodesk Inventor Professional setzen wir Ihre Visionen vom Entwurf bis zur Serienreife in die Tat um.

Disziplinen


  1.   Maschinenbau

  2.   Sondermaschinenbau

  3.   Anlagenbau


Einzelteile, Baugrupen

Neukonstruktionen, Änderungskonstruktion

Projektabwicklung


  1.   Konzeptentwurf

  2.   Machbarkeitsanalyse

  3.   Berechung/Vorauslegung

  4.   FEM-Analyse

  5.   Lieferantenmanagement

  6.   Projektpräsentation

  7.   Simulation

  8.   Illustration

Equipment

Autodesk Product Design Suite


  1.   3D CAD Inventor Professional

  2.   Autodesk FEM

  3.   AutoCAD Mechanical

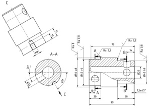
Fertigungsunterlagen


  1.   Fertigungszeichnungen nach Muster

  2.   komplette Zeichnungssätze

  3.   Stücklisten 

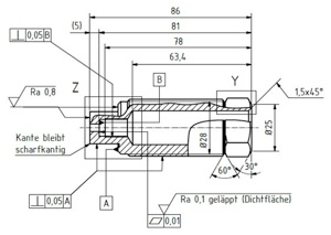
Technische Dokumentation


Normgerechte Fertigungszeichnungen, Baugruppenzeichnungen, Gesamtzeichnungen, Schweißbaugruppen, Explosionszeichnungen, Montageanleitungen, Ersatzteilzeichnungen und Stücklisten für Ihre lückenlose Dokumentation.

Technische Illustration


  1.   Ersatzteilzeichnungen

  2.   Explosionsdarstellungen

  3.   Bedienungs- und Handhabungsanleitungen 

Konformität


  1.   CE Kennzeichnung

  2.   Risikobeurteilung

  3.   FMEA